Sản phẩm được nhập khẩu chính hãng từ Raspberry Pi
Hỗ trợ kỹ thuật trong quá trình sử dụng
Xuất hóa đơn VAT cho cá nhân, đơn vị có nhu cầu
Sản phẩm được bảo hành 3 tháng
Raspberry Pi Compute Module 4 khai thác sức mạnh tính toán của Raspberry Pi 4 Model B, nhưng cải thiện về kích thước giúp nhỏ hơn phù hợp cho việc tích hợp vào các sản phẩm hơn.
Phiên bản này của Raspberry Pi Compute Module 4 mà bạn đang xem bao gồm :
+ Bộ xử lý 64-bit quad-core hiệu suất cao
+ 4GB LPDDR4 RAM, 32GB bộ nhớ eMMC
+ Hỗ trợ đầu ra hiển thị cho 2 cổng HDMI lên tới 4K
+ Phần cứng hỗ trợ giải mã video lên tới 4Kp60 (hardware video decode)
+ Hỗ trợ Gigabit Ethernet theo chuẩn IEEE 1588 - Precision Time Protocol, đáp ứng cho các Hệ thống mạng đo lường và điều khiển trong công nghiệp
+ Hỗ trợ USB 2.0
+ Hỗ trợ 2 cổng kết nối camera
+ Hỗ trợ 1 giao diện kết nối PCIe Gen 2
+ Hỗ trợ Wifi trên 2 băng tần 2.4/5.0GHz và hỗ trợ Bluetooth 5.0.
Tích hợp Wifi trên 2 băng tần 2.4/5.0GHz và Bluetooth 5.0 trên mạch. Điều này giúp đảm bảo tiết kiệm chi phí và thời gian thiết kế tích hợp sản phẩm và đưa ra thị trường. Bạn có thể sử dụng anten sẵn trên bo mạch, hoặc có thể sử dụng anten ngoài trong trường hợp đóng hộp sản phẩm.

TỔNG QUAN PHẦN CỨNG

Raspberry Pi Compute Module 4 có tới 32 sự lựa chọn cho các phiên bản phần cứng với 3 thông số lựa chọn :
+ Wireless : CÓ hoặc KHÔNG
+ RAM : 1GB, 2GB, 4GB, 8GB
+ eMMC : 0GB (Lite), 8GB, 16GB, 32GB, 64GB
Các phiên bản Compute Module 4 khác, các bạn có thể tìm thêm ở (LINK HERE).
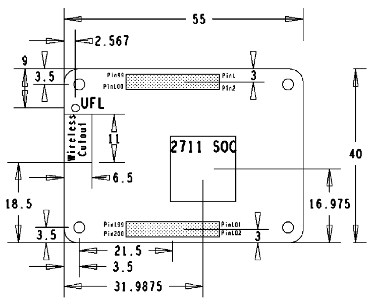
KÍCH THƯỚC

Note:
Kích thước 4 lỗ vít ở 4 góc là M2.5
Các kích thước tính bằng mm
1 × USB 2.0 interface
PCIe Gen 2 x1 interface
28 GPIO signals
SD card interface for SD card or external eMMC (for use only with Compute Module 4 variants without eMMC)
2-lane MIPI DSI display interface
2-lane MIPI CSI camera interface
4-lane MIPI DSI display interface
4-lane MIPI CSI camera interface
TÀI LIỆU THAM KHẢO
Bạn có thể tham khảo bài viết sau (LINK HERE) hoặc video dưới đây, để cài hệ điều hành cho Compute Module 4 :

Quý khách hàng có thể liên hệ với sđt:0862628846 (zalo) kỹ thuật viên của MLAB để được hỗ trợ, tư vấn trong quá trình sử dụng Compute Module 4.